聯系人:周先生
手機: 18661096189
電話:0510-66836189
傳真:0510-85593843
郵箱:wzyqyb@foxmail.com
地址:無錫市濱湖區胡埭鎮環鎮西路35-2

工業空氣凈化器指的是能有效去除工廠車間粉塵、清除工廠車間的臭味異味,同時能夠殺菌消毒,清除臭味、去除異味、除塵效果良好的空氣凈化設備。常見的有油墨車間除臭器、工廠異味清除器、印刷車間除味空氣凈化器、車間除味專用空氣凈化器等多種多樣的空氣凈化產品。工業空氣凈化器的主要特點是專門針對工業環境如工廠、車間等場所使用的凈化設備,風量一般要求是民用空氣凈化器風量的10倍,而民用空氣凈化器一般較小,不能適用面積較大的工業場所使用。
氣源凈化裝置在電廠中大量使用,壓縮空氣是否干燥會影響氣動控制系統的安全穩定運行,因壓縮空氣帶水而導致機組故障甚至停機時有發生。壓縮空氣雖然經干燥處理,但仍帶有一定的水分。而這部分水分在不同的季節隨時間而積累呈復雜不確定關系。因此水分積累的結果是:一方面影響用氣設備的安全正常的工作,并加速其損壞;另一方面嚴重腐蝕儲氣、壓縮機等設備,造成惡性循環。
壓縮空氣帶水是電廠普遍存在的問題,目前一般采用手動疏水閥人工排放、利用機械式疏水閥進行疏水或通過PLC定時控制電磁閥進行排放。上述排放均存在以下缺點:
(1)由于供/用汽點多而面廣,對疏水閥進行人工巡檢及手動排水耗時費力,且現場難以判斷是否疏水干凈。
(2)機械式疏水閥偏差大、可靠性差,出現故障并難以修理。
(3)不具備在實時在線監測功能,無法實現即時在線控制。
(4)PLC定時控制排放不能根據實際工況進行調整,即管道內無水它到時間也排,浪費氣源并縮短電磁閥壽命。
無錫市萬周儀器儀表有限公司集二十余年來對風壓測量裝置的設計研發經歷,對風壓測量裝置進行改進,不斷升級換代,功能從單純的風壓測量到風速測量、從單一的測量功能到目前的智能化控制系統。同樣,在氣源凈化產品方面我們也進行了更加深入的設計研發,產品從簡單的空氣過濾處理到目前的采用進口PLC智能控制處理過濾過程的裝置。都進行了潛心研究和開發,使我們的產品不斷完善、不斷升級,也使我們的用戶愈來愈多,愈來愈廣,得到了廣大用戶的充分好評。
GAS型智能氣源凈化裝置在電廠的氣源控制中大量廣泛使用。目前已發展至進入第三代可編程智能型產品,具有體積小巧,穩定性可靠,可實現在線安裝、設置、調試等一系列優點。
使用我廠的GAS型智能氣源凈化裝置就能從根本上解決以上的問題,為電廠的氣源控制運行提供穩定、可靠的保證。
二、功能特點
GAS型智能氣源凈化裝置,該產品具有體積小,穩定性可靠,可實現在線實時控制系統的運行。能有效解決儀用壓縮空氣系統中發生氣動執行機構或控制單元被水污染的難題。主要特點如下:
l GAS型智能氣源凈化裝置核心部分采用進口高檔單片機為控制核心,增加了在線溫度、濕度檢測單元模塊,控制程序可根據檢測到的實際工況調整排放時間;
l 良好的人機工作界面,設置參數永久保存,永不丟失數據。具有現場中斷測試功能、軟中斷測試功能,軟件設計預留局部網絡功能;
l 真正實現智能化自動排水、無損排水,從根本上徹底減少固定間隔排水方式所導致的電磁閥頻繁動作和氣源損失;
l 當檢測到管道內有水并達到一定水位時,即進行排水,排放時間智能控制,排水完畢后即時關閉閥門,從根本上防止出現排完水后閥門仍未關閉所產生的壓縮空氣直接對空排氣現象。
l 帶LCD液晶顯示,可顯示管道內氣體的溫度、濕度等數據。
l 帶測試按鈕,可以隨時測試電磁閥動作情況并通過LED予以顯示。
GAS型智能氣源凈化裝置特別加強了安全可靠性設計,能夠在惡劣工況環境下可靠運行。防護等級IP65。軟件設計具有在線自診斷(包括失電報警);軟件控制采用模糊控制(Fuzzy Cotltro J)策略,確保排水對氣源系統壓力的擾動最小,從而保障氣動執行機構和/或控制單元的安全穩定可靠。
GAS型智能氣源凈化裝置采用模塊化設計,產品根據可不同用戶要求,分單回路、雙回路、四回路等規格。
三、技術指標
l 供電電源:電壓:85~265V AC 頻率:50HZ±10%
l 環境溫度:-20~60℃
l 環境濕度:≤95%RH
l 防護等級:IP65
l 網絡接口:RS485(可選件)
l 數據保存:設定數據永久保存
l 工作介質:壓縮空氣
l 介質溫度:-25~80℃
l 輸入、輸出氣源壓力:≤9.9kgf/cm2
l 過濾器輸出流量:8000L/min
l 輸入、輸出氣源管路:Φ25、Φ35(可根據用戶要求定制)
l 過濾精度:過濾精度達到5μm,除水效率不低于96%
四、安裝及保養
GAS型智能氣源凈化裝置可根據現場條件,水平放置在氣源管路的旁邊,進氣及出氣管(在箱體側面)采用焊接式活絡接頭連接(也可根據用戶要求采用金屬軟管),根據自身氣源的質量定期更換濾芯,確保氣源暢通無阻,保障全廠的氣動設備正常運行。
安裝時只需放一路220V交流電源接入控制箱內電源端子處,內部控制接線的出廠進均已接好,不需用戶連接,然后連接好進氣及出氣管路,打開電源,設置好控制參數,即可投入使用。
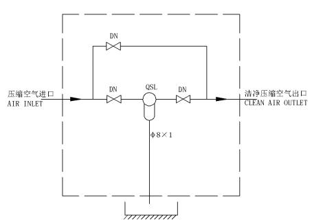
五、模式單元圖
圖一 無源模式單元圖

圖二 有源模式單元圖
六、選型指導



CopyRight ©2015-2016 Website(C)無錫市萬周儀器儀表有限公司 All Rights Reserve. 蘇ICP備案編號: 16010260號-2 技術支持:江陰卓越科技